Komponenten des Türmoduls "7G9T-14B533-CD"
Platine
Bauteile
- (A) ⇒ NEC 70F3233M2(A) - Mikrocontroller Chip (NEC wurde von Renesas gekauft. Dort gehört der Chip zur Produktfamilie „V850ES/Fx2“. Diese ist jedoch End-Of-Live) Datenblatt
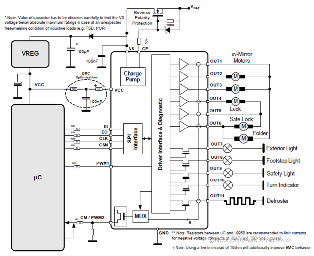
- (B) ⇒ ST L9950XP - Door actuator driver (Datenblatt)
- (C) ⇒ Freescale MC33989DW - System Basis Chip with High Speed CAN Transceiver (Datenblatt)
- (D) ⇒ NXP TJA1020 - LIN transceiver (Datenblatt)
- (E) ⇒ ST M95080-W - 8-Kbit serial SPI bus EEPROM with high-speed clock (Datenblatt)
- (F) ⇒ ST D17NF03L - N-CHANNEL Power-Mosfet (30V - 0.038Ω- 17A) - (Datenblatt)
- (G) ⇒ BCP51 - Power PNP Transistor (Datenblatt)
- (H) ⇒ Omron G8ND-2 - Automotive Relais, 2x UM - (Datenblatt)
IC6⇒ Rohm RSS065N03TB - N-CHANNEL Power-Mosfet (30V, 6.5A) - Spiegelheizung
(B) ST L9950XP]] - Door actuator driver
(A) Mikrokontroller NEC 70F3233M2
Der 70F32333M2 ist ein 32-Bit uC und wurde so ab ca. 2005 in Umlauf gebracht. Die hier eingesetzte Version „FF2“ im 80-poligen TQFP-Gehäuse besitzt 12 KB RAM, 256 KB ROM, 256 KB Flash Speicher und kann bis max. 20 MHz getaktet werden. Die CPU kennt 83 Befehle. Insgesamt also ein eher schlichter Vertreter seiner Gattung.
Neben 67 digitalen I/O-Leitungen besitzt er auch zwei UARTs, einen 10-Bit A/D Konverter (gemultiplexed an max. 12 Kanälen), Timer, Watchdog, und einen CAN-Controller mit 32 Bufferplätzen.








