"Innenleben" der Tempomat-Tasten (Teardown)
Funktion
Nach Einschalten der Zündung überprüft das Lenkradmodul das als Gateway für den CAN Bus arbeitet die Widerstandswerte. Entsprechen diese nicht der durch die Carconfiguration festgelegten Werte für die jeweils vorhandene Geschwindigkeitsregelanlage wird ein interner Fehler gesetzt und das System wird deaktiviert.
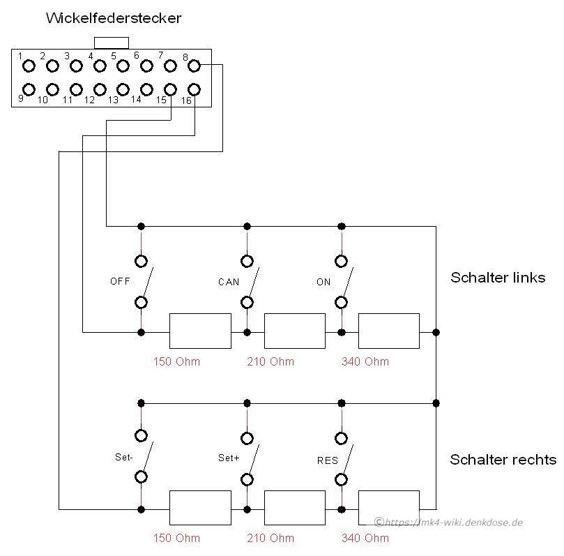
Schaltplan
Platinen
Tasten für Standard-Tempomat
Gut erkennbar durch die „OFF“ Taste im linken Tastenblock.
- Teilenummer, linker Tastenblock:
6M2T-14K147-CH(FINIS 1481785), Neu ca. 150,- €
- Teilenummer, rechter Tastenblock:
6M2T-14K147-DG(FINIS 1481786), Neu ca. 150,- €6M2T-14K147-DH
Interne Widerstandswerte der Tasten:
Beide Tastenblöcke haben im Ruhezustand jeweils 700 Ohm (an Pin 1 + 2 gemessen).
| Block | Funktion | Widerstandswert/Block | Widerstandswert/Gesamt |
|---|---|---|---|
| Links | - | 700 Ohm | |
| Links | CAN | 150 Ohm | |
| Links | OFF | 0 Ohm | |
| Links | ON | 360 Ohm | |
| Rechts | - | 700 Ohm | |
| Rechts | SET+ | 150 Ohm | |
| Rechts | SET- | 0 Ohm | |
| Rechts | RES | 360 Ohm |
Bauteile
| Bauteil | Wert | Beschriftung | Größe |
|---|---|---|---|
| R1 | 3 kOhm | 302 | 0805 |
| R2 | 3,3 kOhm | 332 | 0805 |
| R3 | 147 Ohm | 1470 | 0603 |
| R4 | 215 Ohm | 2150 | 0603 |
| R5 | 732 Ohm | 7320 | 0603 |
| R6 | 3 kOhm | 302 | 0805 |
| R7 | | 0603 | |
| R8 | | 0603 | |
| R9 | | 0603 | |
| R10 | | 0603 | |
| R11 | | 0805 |
Tasten für Tempomat mit Geschwindigkeitsbegrenzer (ASL)
Erkennbar an der weiteren Tachosymboltaste unten im linken Tastenblock.
- Teilenummer, linker Tastenblock:
6M2T-14K147-EH(FINIS 1678650), Neu ca. 180,- €, ebay ca. 70,- €
- Teilenummer, rechter Tastenblock:
6M2T-14K147-DG(FINIS 1481786), Neu ca. 150,- €
Interne Widerstandswerte der Tasten:
Schalter links 700 Ohm und Schalter rechts 1100 Ohm im Ruhezustand.
| Block | Funktion | Widerstand (Pin 1+2) des Blocks | Widerstand gesamt |
|---|---|---|---|
| Links | - | 700 Ohm | |
| Links | CAN | 150 Ohm | |
| Links | OFF | 0 Ohm | |
| Links | ON | 360 Ohm | |
| Rechts | - | 1100 Ohm | |
| Rechts | SET+ | 150 Ohm | |
| Rechts | SET- | 0 Ohm | |
| Rechts | RES | 360 Ohm |
Bauteile
| Bauteil | Wert | Beschriftung | Größe |
|---|---|---|---|
| R1 | 3,3 kOhm | 332 | 0805 |
| R2 | 3,6 kOhm | 362 | 0805 |
| R3 | 147 Ohm | 1470 | 0603 |
| R4 | 215 Ohm | 2150 | 0603 |
| R5 | 732 Ohm | 7320 | 0603 |
| R6 | 3,3 kOhm | 332 | 0805 |
| R7 | | 0603 | |
| R8 | | 0603 | |
| R9 | | 0603 | |
| R10 | | 0603 | |
| R11 | | 0805 |
Tasten für Tempomat mit Abstandskontrolle (ACC)
Erkennbar durch die zusätzlichen Vor-/Zurück-Tasten seitlich am linken Tastenblock.
- Teilenummer, linker Tastenblock:
AM2T-14K147-CB(FINIS 1681853)AM2T-14K147-DA(FINIS 1678650)
- Teilenummer, rechter Tastenblock:
AM2T-14K147-EA(FINIS 1678651)
Interne Widerstandswerte der Tasten:
Schalter links 1950 Ohm und Schalter rechts 1100 Ohm im Ruhezustand.
| Block | Funktion | Widerstand (Pin 1+2) des Blocks | Widerstand gesamt |
|---|---|---|---|
| Links | - | 1950 Ohm | |
| Links | ON/ASL/ACC | 0 Ohm | |
| Links | CAN | 60 Ohm | |
| Links | ON | 413 Ohm | |
| Links | UP | 255 Ohm | |
| Links | DOWN | 142 Ohm | |
| Rechts | - | 1100 Ohm | |
| Rechts | SET+ | 150 Ohm | |
| Rechts | SET- | 0 Ohm | |
| Rechts | RES | 360 Ohm |
Bauteile
| Bauteil | Wert | Beschriftung | Größe |
|---|---|---|---|
| R1 | 3,6 kOhm | 362 | 0805 |
| R2 | 3,9 kOhm | 392 | 0805 |
| R3 | 147 Ohm | 1470 | 0603 |
| R4 | 215 Ohm | 2150 | 0603 |
| R5 | 340 Ohm | 3400 | 0603 |
| R6 | 3,6 kOhm | 362 | 0805 |
| R7 | | 0603 | |
| R8 | | 0603 | |
| R9 | | 0603 | |
| R10 | | 0603 | |
| R11 | | 0805 |








